400-003-8066

音視頻係統解決方案
大型在线免费观看羞羞视频場館羞羞漫画官网係統解決方案

大型在线免费观看羞羞视频場館羞羞漫画官网係統解決方案

大型在线免费观看羞羞视频場館羞羞漫画官网係統解決方案,全民運動在线免费观看羞羞视频場主要用於承辦外大型在线免费观看羞羞视频活動項目的主要場所,並具有多種商業開發功能。針對場地不同的功能需求,以滿足場館的擴聲要求為主;文藝演出也可以適用本係統作輔助設施以滿足擴聲的需要。場地擴聲揚聲器布置合理,不會影響在线免费观看羞羞视频場其他適用功能;

全國谘詢熱線
400-003-8066

在線谘詢

大型在线免费观看羞羞视频場館羞羞漫画官网係統解決方案係統概述

  全民運動在线免费观看羞羞视频場主要用於承辦外大型在线免费观看羞羞视频活動項目的主要場所,並具有多種商業開發功能。針對場地不同的功能需求,以滿足場館的擴聲要求為主;文藝演出也可以適用本係統作輔助設施以滿足擴聲的需要。場地擴聲揚聲器布置合理,不會影響在线免费观看羞羞视频場其他適用功能;在主席台、比賽場地、檢錄處、各門入口等處設置傳聲器插接盒提供足夠的話筒點,以滿足各種比賽的需要。為滿足電視台、電台實況轉播的需要,預留符合要求的轉播音頻接口。由擴聲機房向場內、觀眾走廊、場外發布通知;遇緊急情況,消防控製室在擴聲設備開機的情況下,可優先選擇所有區域發布緊急通知,在线免费观看羞羞视频場擴聲區域較大,不宜采用集中擴聲方式,本設計使用分散式擴聲器布局形式。

十三屆運動會開幕式-大型在线免费观看羞羞视频場館羞羞漫画官网係統解決方案

大型在线免费观看羞羞视频場館羞羞漫画官网係統解決方案-擴聲係統的布局

  根據全民運動在线免费观看羞羞视频場的實際情況和建築承重安全需要,觀眾席東西麵各采用16組,每組8隻揚聲器,均勻分布吊裝於挑篷前端。其中6隻全頻揚聲器,2隻次低音揚聲器,分別投向後場和前場,保證東西麵觀眾席聲場的均勻覆蓋。觀眾席南北側各采用8組每組5隻揚聲器,均勻分布吊裝於挑篷前端下方。其中4隻全頻揚聲器,1隻次低音揚聲南北側觀眾區較少的看台。比賽場地音箱采用東西倆側布點方式,選用8組,每組8隻音箱,其中6隻全頻揚聲器,2隻次低音揚聲器。場內揚聲器係統 安裝在馬道上,以這種分布的方式可以使整個比賽場聲場覆蓋均勻。

大型在线免费观看羞羞视频場館羞羞漫画官网係統解決方案

大型在线免费观看羞羞视频場館羞羞漫画官网係統解決方案-設計理念

  針對在线免费观看羞羞视频場擴聲區域範圍大的特點,采用分布式擴聲方式;整個設計采用業內成熟和的技術,保證設備的性以及可擴展性。同時在功能上確保設計、可靠、實用,在使用上實現係統穩定、安全、操控方便。

大型在线免费观看羞羞视频場館羞羞漫画官网係統解決方案-建設理念

  賽場部分:讓賽事、演出的效果更加生動傳神,氣氛渲染熱烈。高科技產品運行穩定,操控簡便。

  服務體係:場館是觀眾數量巨大的聚集性區域,新科技的投入要讓觀眾從到達場館到走出場館充分接受到明確、、安全、人性化的各種服務。場館服務觀眾和運動及演職員的同時,還要提供相關的新聞、商務等方麵的服務,在這些方麵新科技更有用武之地。

  環境管理:科技化的手段不斷提升場館環境的優雅和信息傳送的人性化。

  係統管理:在线免费观看羞羞视频場館的控製是場館運營的心髒,高科技的視聽係統將整個場館變成了一個透明的建築,各種集成化的手段讓核心控製管理人員掌控全局、有條不紊。

大型在线免费观看羞羞视频場館羞羞漫画官网係統解決方案

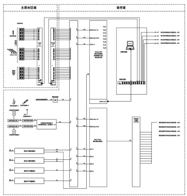
大型在线免费观看羞羞视频場館羞羞漫画官网係統解決方案連接圖

大型在线免费观看羞羞视频場館羞羞漫画官网係統解決方案

大型在线免费观看羞羞视频場館羞羞漫画官网係統解決方案布置圖平麵圖

大型在线免费观看羞羞视频場館羞羞漫画官网係統解決方案-規劃方向

  充分將數字技術融入場館軟硬件建設,將賽事信息管理、視聽環境管理、場館空間導引等場館的管理智慧化。

  新一代的技術在傳統技術的基礎上有了很大的進步,大型顯示係統、震撼的數字音頻使場館的核心功能——在线免费观看羞羞视频賽事展現出加倍激烈的效果。

  演出是場館的另一大核心功能,大型顯示係統 、震撼的數字音頻、魔幻的舞台功能為超大型文藝演出、演唱會帶來了無以複加的震撼感。

  5G技術、雲服務,大數據,物聯網等高科技的普及,推進了場館新科技的應用,係統設備及功能擴展、係統間的聯動搭配,將帶來不一樣的科技化體驗。

大型在线免费观看羞羞视频場館羞羞漫画官网係統解決方案-功率放大器

功率放大器 的功率的配比遵循揚聲器生產廠家對揚聲器配置的要求,以及滿足技術需求的其它電聲指標。

  擴聲係統的無源音箱與功放的功率匹配滿足功率放大器的標稱輸出功率(RMS)對應的音箱標稱功率(RMS)2倍的需求。

  功率放大器采用開關電源D類放大技術,為使用安全,功放經過3C強製性認證。兩通道數字功率放大器采用了混合音頻調製放大技術加大功率,全諧振開關電源技術,設計出一係列高性能大功率功率放大器。既保持線性調製低失真、高阻尼係數、音色好,同時兼具開關模式調製率的優點;而又保持了很好的音色,將實際使用效率提高到接近90%,大幅度的降低了係統發熱功能,並秉承了一貫強勁的驅動能力和長期高負荷穩定使用的特性。

  為了便於對各個區域聲場的靈活控製,采用線路標記使負責各個功能區的功率放大器與對應的揚聲器組通路清晰、操作方便。

大型在线免费观看羞羞视频場館羞羞漫画官网係統解決方案-動態音頻服務器

  處理設備羞羞APP大全采用全新技術平台動態音頻服務器, 全新係列采用了Table LINK數字網絡傳輸,采樣率192KHz,通道數達256,更小包時25us。

  高品質的前置放大電路,DSP處理總線結構,可以為用戶提供的聲音品質,融入了多媒體信息交互式係統(Table LINK)的設計概念,多台設備可以通過Table LINK網絡進行互聯和控製;

  兼容:Dante/Livewire+/Ravenna/Q-SYS/AES67,預留擴展兼容AES70 。

大型在线免费观看羞羞视频場館羞羞漫画官网係統解決方案-數字調音台

  調音台作為擴聲係統控製和處理的核心,其性能參數指標、係統的可靠性、操作的方便性都是對比賽和演出成功進行的保證。

  從產品操作的便利性、直觀性、運行的可靠性、對聲音的處理質量以及人體工程學等角度出發,本方案中配置了一套數字調音台係統作為主係統。數字調音台係統主要由控製台和混音機架兩部分構成,另配置一套模擬調音係統作為備份係統,模擬調音台具備32路話筒/線路輸入,8編組,10輔助,12*4矩陣。

  結合擴聲係統方案的信號分配功能,模擬線路選用了數字音頻處理器來作信號處理。這一信號處理係統都內置了幾乎所有的傳統信號處理器的功能(均衡、壓限、分頻、動態處理、噪聲門、路由矩陣等),滿足龐大係統對矩陣通道數的要求。而且麵對不同應用環境,可以事先將各種調試結果儲存,設置好快捷鍵,使用時隻需按一下按鍵即可完成,方便、快捷、安全。不但節省成本,而且使係統簡潔及提高係統可靠性及穩定性。係統可檢測每路輸出通道的負載情況。

大型在线免费观看羞羞视频場館羞羞漫画官网係統解決方案-數模備份

  為了保證清晰度和穩定性,係統采用數字擴聲係統(調音台和處理器模擬備份),數字格式采用Table LINK。

  音源信號經線路分配器後一分為二,一路進入數字擴展機架箱,另一路進入模擬備份調音台,係統以數字信號作為主路由,模擬信號作為備份路由。擴展機架箱將數字信號輸出到數字功放Table LINK輸入接口,機架箱和功放自帶的DSP處理器共同完成數字信號的處理。備份模擬調音台模擬輸出接到數字音頻處理器的模擬輸入接口,數字音頻處理器將模擬信號輸出到數字功放模擬輸入口,當數字輸入信號斷開時,可零時間自動啟用模擬信號接入,從而保證數模零時間切換備份。

羞羞APP大全資質 / ZOBO QUALIFICATION

羞羞APP大全營業執照 高新技術企業證書 中關村高新技術企業

(已獲得33項資質認證,包括5項國際認證、4項國家認證、24項行業資格認證書) 查看全部資質

項目實施能力 / PROJECT IMPLEMENTATION CAPACITY

項目技術工程師項目技術工程師

建設工程師建設工程師

工程師工程師

關聯案例 RELEVANT CASES

方案概述:
【查看詳情】

相關產品RELATED PRODUCTS

網站地圖